Számtalanszor találkoztunk már merész megrendelővel, aki telefonban csak annyit mondd bemutatkozás után, hogy „vettünk egy családi házat, kiütnénk két falat és egybenyitnánk a nappalit a konyhával és úgy hallottuk, hogy önök foglalkoznak nyílásáthidalás tervezéssel. Nekünk csak az kellene, hogy hány cm magas vasgerendát tegyünk be, terv sem kell, a többit megoldjuk…”
Bizonyára vannak közöttetek statikus kollégák, akik ezt olvassátok és átestetek már hasonló, vagy hajmeresztőbb telefonhívásokon. Minket ez mindig elborzaszt, hogy a 21. században még mindig vannak olyan emberek, akik azt hiszik egy „egyszerűnek tűnő” nyílásáthidaló beépítése csak annyi, hogy méretezek egy (vas?!) acélgerendát és a többit meg Jani és Lali beépíti otthon teljes nyugalommal a Barátok közt szünetében?! Az, hogy tartófalat, vagy válaszfalat bontok, hogy bejelentés, vagy engedélyköteles-e a dolog, hogy egy vagy többszintes épületben és annak melyik szintjén szeretném az átalakítást, hogy 1,0 vagy 3,5 m nyílásközzel csináljuk, hogy lakhatok-e az átalakítási munkálatok során a házban, vagy nem számít-e, döntse el mindenki, fontosak-e ezek a felvetések?

Saját tulajdonú lakóépület több emberöltőn keresztül nyújt otthont a családok számára. A lakók igényei folyamatosan változnak. A változásokat a családtagok életkora, az anyagi körülmények, a menet közben felmerülő igények, az aktuális trend és a család létszámának változása határozza meg.
Sokan sajnos nem tudják, de megcáfolhatatlan tény, hogy egy lakóház, épület, csarnok, műemlék stb. átalakításának kivitelezése igényli általában az építőiparban a legnagyobb szakmai tapasztalatot és hozzáértést. Gondoljunk csak bele, hogy egy új épület építése közben nem adódhat annyi váratlan dolog, mint egy 20-30-50-100 évvel ezelőtt épült épület esetében.
Egy ilyen régi épület átalakításának tervezésénél a legfontosabb dolog, hogy átalakítás közben és átalakítás után a szerkezet hogyan fog viselkedni és alkalmas lesz-e életvitelszerűen bentlakásra. Bármilyen régi épület szerkezeti felépítését, szerkezeti erőjátékát megfelelően részletes diagnosztikai módszerekkel megismerhetjük, de annyira biztosan nem, hogy kivitelezés közben a nemvárt meglepetéseket kizárjuk.

Mire gondolok? Egy szerkezet átalakításának tervezését megelőzően rendszerint roncsolásos (értsd: kőműveskalapáccsal és hidegvágóval kézzel, ritkább esetben bontógéppel készítünk feltárónyílásokat) feltárásokat is kell sok esetben végezni, melynek célja elsősorban a vakolat, burkolat által fedett tartószerkezetek minél pontosabb megismerése. Ezeket nem minden megrendelő szereti , és közben bent akar lakni a lakásban mikor kivitelezik, pedig borítékolható, hogy több lesz a kosz, mint egy fél vödör vakolat leverése esetén.
A leggyakoribb ellenérvek:
„Nekem most itt ne verjék le a vakolatot, mert belepereg minden az ételbe…”
„Az előző tulaj apukája építette, úgy emlékszik B30-as téglából. Ennyi információ önöknek nem elég…?”
„A férjem pihen a szomszéd szobában éjszakás volt…”
Természetesen mindent megértünk, de ha nincs megvalósulási terv az épületről (99 %-ban nincs), akkor a szerkezet megismeréséhez nagyon kevés az, hogy az előző tulaj apukája építette B30-as téglából, közben meg 42 cm-t mérek a középfőfalon. Lakó és egyéb épületek átalakítása során szinte elkerülhetetlen a falak mozgatásán túl új nyílások kialakítása akár a homlokzaton, akár belső válaszfalakban, vagy főfalakban. Ezen beavatkozások általában akkora volumenűek, hogy magával vonja az építészeti tervezésen túl a tartószerkezeti kiviteli tervek elkészítését is.

Ezek néhány éve még engedélyköteles beavatkozások voltak, jelenlegi hatályos jogszabályok értelmében minimum bejelentéskötelesek. Amennyiben homlokzati falon szeretnénk kialakítani utólagos nyílásokat, fontos tájékozódni a településre jellemző Helyi Építési Szabályzatban (HÉSZ) erre vonatkozóan. Nem mindegy ugyanis, hogy udvari, utcai, illetve szomszédra néző homlokzati falon akarunk nyílást készíteni, vagy bővíteni. Emellett természetesen nem mindegy a méret sem. Több esetben futottunk már bele olyanba, hogy körültekintően megtervezett homlokzati nyíláskialakítást településképi véleményezés alá vetettek és végül nem engedélyezték, vagy csak részben a kialakítást.
A jobb megértés értelmében ide másolom mit is jelent ez (2016. évi LXXIV. törvény a településkép védelméről; 2. §):
„A településkép védelme a település vagy településrész jellegzetes, értékes, illetve hagyományt őrző építészeti arculatának és szerkezetének - az építészeti, táji érték és az örökségvédelem figyelembevételével történő - megőrzését vagy kialakítását jelenti.”
Ha tartószerkezetileg megvalósítható is lenne, nem lehet a teljes utcai homlokzat üvegfal egy 120 éves vályogházon. Na de nézzük miből is készíthetünk egybenyitott tereket, ha úgy tetszik amerikai konyhás nappalit. Utólagos nyílásáthidalásoknál mindig a fesztávolság függvényében határozzuk meg a beépítendő áthidaló anyagát. Ezenkívül fontos a nyílásmagasság és a felette lévő födém szerkezete és teherhordási iránya. Ezeket jelen cikkünkben nem részletezzük, csak a legszükségesebbekre szorítkozunk.
Belátható azonban mindenki számára, hogy a kialakítandó nyílás felett minél magasabb falszakasz marad a födémig, annál nagyobb a valószínűsége, hogy a felette lévő téglaszerkezet átboltozódik (kis nyílásoknál figyelhető meg). Ebben az esetben az áthidaló síkja és az elméleti átboltozódott határvonal közötti téglaszerkezet súlya terheli csak az áthidalót, amely nem több pár száz kg-nál. Könnyen belátható, hogy nem függ számottevően az épület többi szerkezeti elemének súlyától. Hasonló átboltozódás figyelhető meg, mikor a homokkupac alján alagutat vájunk, nem függ a felette lévő kupac magasságától és súlyától.
Pofon egyszerű igaz, vagy mégsem?

Normál esetben amikor csak egy egyszárnyú ajtó nyíláskiváltásáról volt szó régebben egyszerű fagerendával megoldották. Ezeket manapság már nem alkalmazzák, mivel a faanyag károsodik az idők során.
Ha a nyílás mérete az igényeknek megfelelően akkorává válik, hogy felette nem hogy átboltozódás nem tud kialakulni, de a mennyezetig felszorított áthidaló a felette lévő födémen keresztül a felső szint terhének egy részét és a tetőszerkezet terhét, beleértve a szél, hó és egyéb terheléseket is viseli az elmélet nem alkalmazható.
Nagyon fontos szempont, hogy az épület alsó, közbenső, vagy felső szintjére kerülne a nyíláskiváltás. Az áthidaló minden esetben úgy működik, hogy a nyílás feletti szerkezetek súlyát a saját mechanikai jellemzőinek felhasználásával (hajlító és húzómerevség) a feltámaszkodás (áthidaló végkeresztmetszet környezete) alatti és melletti fal- és pillérszerkezetekre, majd az alatta lévő szerkezetekre, gyakrabban alaptestekre hárítja.
Ez azért nem szabad figyelmen kívül hagyni, mert 3-4 m feletti nyílásoknál szinte minden esetben új alaptest beépítése, vagy a meglévő megerősítése szükségessé válik. Enne oka pedig az, hogy a nyílás mentén korábban elhelyezkedő teherhordó falszakasz és a felette lévő szerkezetek egyenletesen megoszló terhét a nyílás két szélén hárítjuk az alapozásra. Nem minden esetben bírja el a bontott nyílás két széle sem, ilyenkor acél, vagy vasalt beton, esetleg kis, vagy nagyméretű téglapillért is alkalmazunk.
Leggyakrabban kereskedelmi forgalomban kapható melegen hengerelt acélszelvényekből tervezzük az utólagos nyílásáthidalásokat, kereteket. Ennek több oka van. Az egyik, hogy vagy nem létezik az adott fesztávolságra megfelelő előregyártott áthidaló (vasalt vázkerámia, előregyártott vasbeton, pórusbeton stb.), vagy az idő tényező nagyon szűkös és pl. monolitikusan épített vasbeton nyílásáthidalás esetén többszöröse lehet a kivitelezés időtartama. Az acélgerendás nyílásáthidalás előnye az, hogy optimalizálható és minimális tartómagassággal viszonylag nagy fesztávolságok érhetőek el, emellett a súlya egy vasbeton áthidalóhoz képest csekély.

Amikor nyílásáthidalást tervezünk minden esetben adunk hozzá építéstechnológiai utasításokat az adott környezetre vonatkozóan. Ha belegondolunk egy ilyen gerenda összeépített súlya elérheti a 200-500 kg-ot, 8-10 m-es fesztávolságnál pedig már tonnákról beszélünk, akkor nem csak annyi kell, hogy terv nélkül mondjuk meg az acélgerenda típusát. Egy rosszul organizált házilagos kivitelezés tragédiával is járhat. Ezért javasoljuk minden esetben a megfelelő tartószerkezeti kiviteli terv készítését és szükség esetén helyszíni tervezői művezetést.
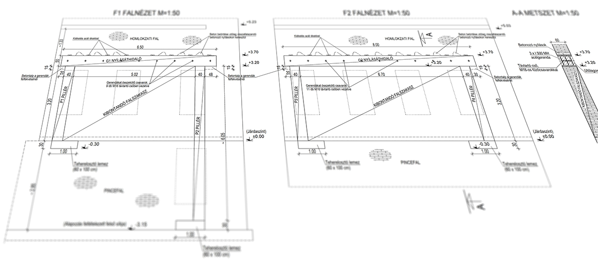
Az utólagos nyílásáthidalás családiházak esetében a kisebb (max. 3-4 m) fesztávolságok miatt nem járnak nagy gerendamagassággal. Nem így van ez az olyan 120-150 éves téglaépítésű épületekkel, ahol nem ritkán több szintet kell kiváltani nem ritkán 8-10 m-es nyílásokkal is pl. egy új üzlethelyiség, vagy iroda kialakítása miatt. Ezek a tervezési feladatok rendkívüli körültekintést igényelnek, mivel úgy bontunk ki alul, vagy közbenső szinteken nagyfesztávolságú nyílásokat, hogy közben 40-50 család lakik felette 3-4-5 szinten. A Google ház építésekor pl. 4 szintet kellett úgy kiváltani, hogy alul közel 8 m-es szabad nyílást alakítottunk ki üvegtetővel.
Meglévő vasbetonszerkezetes épületeknél leggyakrabban a gépi hajlított (lemezszerkezetű) acéláthidalókat használjuk. Itt elsősorban az a gond, hogy az utólagosan kivágott nyílásoknál nem lesznek szegővasalások, így a falak felhasadása ellen ezen peremszerkezetek alkalmazása jó megoldás. A vasbetonszerkezet utólagos bontása fontos, hogy fúrva és vágva történjen, semmiképpen ne vésve. Természetesen van arra is lehetőség, hogy bontókalapáccsal végezzük az átalakítást, ebben az esetben célszerű a meglévő vasalásokat felhasználni és az áthidalást akár erősített pótvasalással, utólagosan betonozva elkészíteni.
Előfordulhat olyan extrém átalakítás is, hogy 10-12 m, vagy ennél nagyobb falszakaszok kiváltása válik szükségessé. Ebben az esetben már nem működnek a hagyományos áthidalók. Főleg azért sem, mert legtöbbször csatlakozó plusz szintek is bekerülhetnek. Ezek az átalakítások olyan egyéb szerkezeteket is vonzanak magukkal (mint pl. a következő képeken látható plusz födémszint beépítése), hogy egyedileg tervezett acélszerkezet (pl. rácsos tartó) beépítése válik szükségessé. Természetesen építésze válogatja, nekünk a látszó rácsos tartó jobban tetszik.

De nem csak épületben szoktuk használni az utólagos kiváltásokat, hanem például közműveknél is, amikor olyan építés közbeni állapotokra kell megfeleltetni a szerkezetet vagy a közművet védő beton kéregelemet, aminek az elviselésére egyébként nem lenne alkalmas. Az alábbi képen például egy (két) távhővezeték földmunkálata miatt volt szükség ezeknek az elemeknek az időszakos kiváltására.

Az utólagos nyíláskiváltásoknál alkalmazott technológiai lépések minden feladatnál változhatnak, de dióhéjban összefoglalva a következő lépéseket célszerű betartani és a kivitelezőkkel betartatni:
#1 A kiváltó pontos helyének kijelölése
#2 Amennyiben a fesztávolság miatt acélpilléreket kell alkalmazni, úgy a monolit beton alaptestek elkészítése a következő lépés.
#3 Acél lábak bevésése a falba
#4 Talplemez rögzítése szintbeállítással
#5 Falazat bontása áthidaló gerenda helyén
#6 Az acéltartók előzetes előkészítése, kiékelése laposacélokkal a födémgerendákhoz
#7 Falazat kibontása
#8 Az acéltartók közének képlékeny betonnal való kitöltése
Ezek után mindenki döntse el, hogy elegendő-e „csak” az áthidaló gerenda típusa kiviteli terv nélkül! Szerintünk nem, és bízom benne, hogy aki elolvasta ezt az írást, hasonlóan gondolja. Tehát (majdnem) minden megoldható és kiváltható, kérdés, hogy milyen áron.